HOME  | PRODUCTS  | COMPANY  | TECHNICAL DOCS  | CONTACT US 
USA/Canada: +1 (248) 436-8085

Introduction

The liquid light-guide is a flexible tube with a liquid core that is used as an alternative to a light guide made of thin silica or glass fiber bundle and provides excellent light transmission. The liquid light guides are highly flexible and do not break. The liquid light-guide has the cross-section of a pipe, thus has no packing losses like a fiber based light guides, which have spaces between the thin fibers where no light goes through.
Prizmatix liquid light-guide can be used with:
Prizmatix collimated LED products:
Mic-LEDs   UHP-LEDs

Prizmatix liquid light-guide coupled LED products:
UHP-F-LED



Liquid Light-Guide

 

Fiber bundle light-guide

Specifications:

Desription P/N
Liquid Light-Guide Core 3 mm, Numerical aperture (NA): 0.6, Length 1.5m LLG-3
Liquid Light-Guide Core 5 mm, Numerical aperture (NA): 0.6, Length 1.5m LLG-5

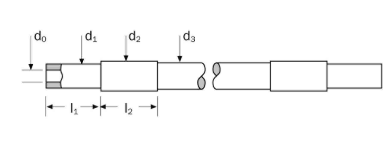
Dimensions

Fiber bundle light-guide
P/N Active Core
ø
End Fittings Protective Sleeve Min.Bending Radius [mm]
d0
[mm]
d1
[mm]
l1
[mm]
d2
[mm]
l2
[mm]
d3
[mm]
LLG-3 3 5 20 9 24 7 40
LLG-5 5 7 20 10 24 9.5 60

Spectral Transmission

Transmission Spectrum

 Accessories

 Picture  Description  P/N
Collimator LLG-AC  Liquid Light Guide Collimator.
1 inch output. No XY adjust
 LLG-ACX
(X = 3 / 5)
Collimator LLG-C  XYZ adjustable Collimator for Liquid Lightguide To be used at epi-fluorescence port of microscope.
Please specify X=3 or 5 for 3mm or 5mm core light-guide
Please specify N for Nikon / O for Olympus / Z for Zeiss / L for Leica microscope type
 LLG-CX-Type
LLG-CX-Type
(X = 3 / 5)
(Type = N / O / Z / L)
Example: LLG-C5-N

© Prizmatix,  Israel